Download PL2303 Driver for Windows 11
It mentioned downloading the PL-2303 driver in the above solution. Given many users don’t know where to get the PL2303 driver for Windows 11, please copy and paste the below link into a new browser tab to go to the official website and download the driver.
http://www.prolific.com.tw/UserFiles/files/PL23XX_Prolific_DriverInstaller_v402.zip
- Version: 4.0.2
- File size: 10951.67 KB
- Release date: March 16, 2022
Tip:
- If you want the older version of the PL2303 driver for some reason like coming across the above code 10 error, just replace the “402” in the download link http://www.prolific.com.tw/UserFiles/files/PL23XX_Prolific_DriverInstaller_v402.zip with the version number you prefer.
- To install the downloaded PL2303 driver, just extract the zip file, find the installer.exe file, and double-click on it. Then, just follow the on-screen steps, which are similar to installing an app.
USB RS232 Drivers. Характеристики драйвера
Драйверы USB для подключения кабеля к ПК через интерфейс RS232 от WinChipHead, Prolific и FTDI. Предназначены для ручной и автоматической установки на Windows XP, Windows Vista, Windows 7, Windows 8, Windows 8.1, Windows 10.
Кабель — переходник USB — RS232 предназначен для подключения к USB порту компьютера устройств, которые используют последовательный интерфейс RS232 и предназначены для подключения к COM порту (DB9).
Чтобы установить драйвер необходимо скачать файл для своего производителя чипа.
Файлы для скачивания (информация)
WinChipHead.zip — WinChipHead (0.26 mb) v.3.4.2014.08 от 08.08.2014
hl-340-usb-to-serial-rs232.zip — WinChipHead альтернативный (0.06 mb) v.2.8.2007.09 от 24.09.2007
PL2303_Prolific_DriverInstaller_v1200.zip — Windows 7/8.1/10 (7.1 mb) v.3.8.25.0 (1.20.0) от 12.07.2018
PL2303-W10RS3RS4-DCHU-DriverSetup_v1192_20180503.zip — для Windows 10 RS3/RS4 (2.4 mb) v.3.8.18.0 (1.19.0) от 17.10.2017
PL2303_Prolific_DriverInstaller_v1180B.zip — Prolific (7.2 mb) v.3.8.12.0 от 03.03.2017
PL2303_Prolific_DriverInstaller_v130.zip — Prolific альтернативный (2.2 mb)
usb_com_drivers.zip — FTDI (3.1 mb) v.2.06.00 от 22.10.2009
Поддерживаемые устройства (ID оборудований):
| PCIVEN_1C00&DEV_2170 | WCHPCI=>PARALLEL |
| PCIVEN_1C00&DEV_2273 | WCHPCI=>DUAL SERIAL |
| PCIVEN_1C00&DEV_3453 | WCHPCI=>QUAD SERIAL |
| PCIVEN_1C00&DEV_3653 | WCHPCI=>OCTAL SERIAL |
| PCIVEN_1C00&DEV_3673 | WCHPCI=>SIX SERIAL |
| PCIVEN_1C00&DEV_5046 | WCHPCI=>DUAL SERIALS&&PARALLEL_RA |
| PCIVEN_1C00&DEV_5334 | WCHPCI=>QUAD SERIAL — 5334 |
| PCIVEN_1C00&DEV_5338 | WCHPCI=>OCTAL SERIAL — 5338 |
| PCIVEN_1C00&DEV_5838 | WinChipHeadWCH PCI=>SIXTEEN SERIAL |
| PCIVEN_1C00&DEV_7053 | WCHPCI=>DUAL SERIAL&&PARALLEL — 7053 |
| PCIVEN_1C00&DEV_7073 | WCHPCI=>QUAD SERIAL&&PARALLEL |
| PCIVEN_1C00&DEV_7173 | WCHPCI=>QUAD SERIAL — 7173 |
| PCIVEN_4348&DEV_3253 | WCH.CNCH352 PCI Dual Serial Port Controller |
| PCIVEN_4348&DEV_3453 | WCH.CNCH353 PCI Quad Serial Port Controller |
| PCIVEN_4348&DEV_3853 | WCHPCI=>OCTAL SERIAL — 3853 |
| PCIVEN_4348&DEV_3873 | WCHPCI=>SIX SERIAL — 3873 |
| PCIVEN_4348&DEV_5046 | WCHPCI=>DUAL SERIALS&&PARALLEL_RA — 5046 |
| PCIVEN_4348&DEV_5053 | WCH.CNCH352 PCI Serial and Parallel Port Controller |
| PCIVEN_4348&DEV_5334 | WCHPCI=>QUAD SERIAL&&PARALLEL — 5334 |
| PCIVEN_4348&DEV_5338 | WinChipHeadPCI=>OCTAL SERIAL |
| PCIVEN_4348&DEV_5838 | WCHPCI=>SIXTEEN SERIAL |
| PCIVEN_4348&DEV_7053 | WCH.CNCH353 PCI Dual Serial and Parallel Ports Controller |
| PCIVEN_4348&DEV_7073 | WCH.CNCH356 PCI Quad Serial and Parallel Ports Controller |
| PCIVEN_4348&DEV_7173 | WCH.CNCH355 PCI Quad Serial Port Controller |
| USBVID_0403&PID_6001 | Future Technology Devices International, LtdFT232 Serial (UART) IC |
| USBVID_0403&PID_6010 | Future Technology Devices International, LtdFT2232C Dual USB-UART/F IFO IC |
| USBVID_067B&PID_2303 | Prolific Technology, Inc.PL2303 Serial Port |
| USBVID_067B&PID_2304 | ProfilicUSB-to-GPI O/PWM Port |
| USBVID_1A86&PID_5523 | QinHeng ElectronicsCH341 in serial mode, usb to serial port converter |
| USBVID_1A86&PID_7523 | QinHeng ElectronicsHL-340 USB-Serial adapter |
| USBVID_4348&PID_5523 | WinChipHeadUSB->RS 232 adapter with Prolifec PL 2303 chipset |
| USBSERPORTSER5523 | |
| CH341PORTSER5523 | |
| USBSERPORTSER5523 | |
| FTDIBUSCOMPORT&VID_0403&PID_6001 | Future Technology Devices International, LtdFT232 Serial (UART) IC |
| FTDIBUSCOMPORT&VID_0403&PID_6010 | Future Technology Devices International, LtdFT2232C Dual USB-UART/F IFO IC |
| FTDIBUSCOMPORT&VID_0403&PID_6011 | Future Technology Devices International, LtdFT4232H Quad HS USB-UART/F IFO IC |
Другие драйверы от USB
Установить драйверы автоматически
Бесплатное ПО
Доступные драйверы (1)USB RS232
- Тип драйвера: Ports (COM and LPT)
- Производитель: BOLID Security Systems
- Версия: 2.08.24 (10 апр 2012)
- Файл *.inf: ftdiport.inf
<nobr>Windows Vista</nobr>, <nobr>7</nobr>, <nobr>8</nobr>, <nobr>8.1</nobr>, <nobr>10</nobr>
Драйверы для USB RS232 собраны с официальных сайтов компаний-производителей и других проверенных источников. Официальные пакеты драйверов помогут исправить ошибки и неполадки в работе USB RS232 (устройства ввода). Скачать последние версии драйверов на USB RS232 для компьютеров и ноутбуков на Windows.
PL2303 Driver Windows 11 Not Working
Some issues are related to the PL2303 driver in Windows 11. For example, have you ever encountered an error message saying “Please install corresponding PL2303 driver to support Windows 11 and further OS” in Device Manager when you try to connect a device to your computer using a USB to Serial adapter?

If so, mostly, it is the PL2303 driver that has a problem, outdated, damaged, or missing. Now, let’s see how to fix the Prolific USB to Serial Driver not working issue.
#1 Update USB to Serial Driver
First of all, the most direct way you should try is to update the outdated or missing driver. Or, you can disable and reenable it in Device Manager. If the driver is corrupted, you can uninstall it and restart the computer to let Windows install a new driver automatically.
#2 Roll USB to Serial Driver Back
However, updating a driver does not always solve the problem but instead causes some issues. The PL2303 driver not working error may result in your latest driver updates doesn’t work well with your hardware. If this is true, you have to downgrade your driver back to an old version.
1. Open Device Manager.
2. Unfold Ports (COM & LPT) section.

3. Find Prolific USB to Serial Comm Port, right-click on it, and select Properties.
4. In the Properties window, go to the Driver tab, and click on Roll Back Driver.
5. It will prompt asking for the reason. Just pick one reason and click Yes.

Finally, the correct driver will install itself. When it finishes successfully, just try to connect your device again. It should work now.
If you failed to roll back the current PL2303 driver, you can try to update it and manually choose the old version on your computer. If you don’t have an older version at hand, you can download one following the tip of the below content.
Что такое Prolific USB-to-serial Comm Port в ОС Windows 10, 8, 7?
Набор программного обеспечения для установки, отладки и удаления из системы преобразователя интерфейсов USB-to-COM работает на чипах от компании «Prolific Technology Inc». Обычно это набор драйверов, который устанавливаются на PC, и обеспечивает корректное взаимодействие преобразователя интерфейсов с компьютером пользователя.
Указанный преобразователь используется для работы с устройствами, которые подключаются к PC через последовательный (COM) порт. Это различные программаторы, принтеры, девайсы для работы с GPS-навигацией, с ГБО и так далее.
Пример устройства с драйвером
Поскольку использующиеся по умолчанию драйвер к чипам компании «PL-2303H» и «PL-2303X» написаны «Prolific Technology Inc» ещё в 2012 году, они плохо работают с новыми Виндовс 8 и 10. В этом случае компания рекомендует использовать устройства на чипах «PL2303TA» и «PL-2303HXD» для корректной работы с современными ОС.
Корректно установленный драйвер в ДУ
Fix “Please Install Corresponding PL2303” Driver Issue on Windows11
You need the prolific serial USB driver to establish a link between the device you’re trying to connect to your Windows PC through a USB-to-Serial cable. Either you are missing the Prolific to Serial USB driver, or the driver is outdated or corrupted. Depending on the issue, you can try out a few solutions to fix this driver issue.
Update Driver
If you’re using an older version of this driver, you may want to update it. The older version is likely not supported by your hardware and is having issues establishing a connection with your connected device. Update your driver on device manager following these instructions:
- Plug in your USB to the Serial adapter.
- Open Start. From the search bar, type in Device Manager and open it.
- Drop the menu down for Ports (COM & LPT).
- Locate Prolific USB to Serial Comm Port and right-click on it.
- Select Update Driver.
- On the new window, select Automatically Search for Drivers. If any, download the best version of the driver suggested to you.
Use the Previous Version of PL-2303
Although new hardware is supposed to push newer features out, the new driver may not run on your Windows. It is possible that the newer version of your Prolific to Serial USB might not be compatible with your current hardware. Follow these instructions to downgrade the PL-2303 driver:
- Connect the USB to the Serial adapter with your device.
- Open Start. On the search bar, type Device Manager.
- On the list of hardware, locate Ports (COM & LPT) and drop the menu down.
- Right-click on Prolific USB to Serial Comm Port and choose Properties.
- Hop on to the Driver tab and select the Roll Back Driver button.
Install the Driver
You may have your driver missing on your device. Your Windows fails to recognize and connect the device you connected with the serial cable. You can install the PL-2303 driver from the following steps:
- Open your browser.
- Navigate to Prolific’s official website to install the setup for the PL-2303 driver.
- Click on the link next to Download File.
- From the file explorer, go to Downloads and right-click on the zip file.
- Select Extract all.
- On the Extract Compressed (Zipped) Folders window, select Extract.
- After the folder is successfully extracted, open it.
- Open the PL23XX-M_LogoDriver_Setup_v401_20220225 file.
- Select Yes on the User Account Control prompt to allow the setup to make changes on your device.
- Select Next on the new window and wait for the installation process to complete.
- After the installation, select Finish to end the process.
Reinstall the PL-2303 Driver
Usually, when drivers go corrupt, reinstallation fixes it. A bug may interfere with the communication between the device and the driver. Follow these steps to reinstall the PL-2303 driver on your Windows:
- Plug in the USB to Serial adapter to your PC.
- Open Start. From the search bar, type in Device Manager and select it.
- Locate Ports (COM & LPT) from the list and drop the menu down.
- Right-click on Prolific USB to Serial Comm Port and select Uninstall.
Restart your device to reinstall the driver. If rebooting your device does not reinstall your driver, install it by following the steps above.
Change COM Port
You need to change the COM port for some serial devices to function. You can easily change this through the device manager on your Windows. Check the user manual of your USB to serial adapter for the correct COM number you can replace the current one with.
Follow these steps to change the COM Port on your Windows:
- Click on the Start menu.
- From the search bar, type in Device Manager and open it.
- Drop the menu for Ports (COM & LPT).
- Right-click on Prolific USB to Serial Comm Port and select Properties.
- Head to the Port Settings tab and select Advanced.
- Locate COM Port Number and select which number to use from the list.
Change the Cable
The cable’s physical condition also matters when connecting your PC to an adapter. Most users use either the FTDI-based or Prolific PL2303-based cables. If you inspect a problem with the quality of your cable, consider switching to an alternate adapter.
Как исправить код ошибки 10 Prolific Comm Port при помощи драйвера
Чтобы избавиться от ошибки 10 Prolific вам необходимо выполнить несколько шагов, которые я опишу ниже
Важно понимать, что если ваш адаптер нормально работал до установки очередного обновления Windows, тогда вам будет необходимо откатить версию актуального драйвера до предыдущего рабочего варианта
Если же драйвер у вас был установлен, но не работал корректно – вам будет необходимо удалить любую установленную в систему инсталляционную программу драйвера PL-2303, сам неработающий драйвер, и информационный (INF) файл, после чего приступать к нижеизложенной инсталляции.
Удалите некорректную инсталляцию драйвера
Необходимо учитывать, что модерные ОС Виндовс настроены на автоматическое обновление ваших драйверов без вашего разрешения. Потому не имеет значения, сколько раз вы вручную удалили ваш драйвер и перезагрузились – при следующем подключении адаптера USB-To-Serial ОС вновь установит неработающую версию драйвера. Потому перед установкой нижеизложенного драйвера рекомендуется отключить службу автоматического обновления Windows. Иначе последняя вновь установит неработающий драйвер.
Также вариантом решения проблемы может стать способ, предложенный в данном видео:
Суть и причина проблемы при возникновении ошибки с кодом 10
Компания «Prolific» прославилась в сети не своими чипами, а дисфункцией своих драйверов, возникающей при переходе пользователя с Windows 7 b 10. Как я уже упоминал выше, некоторые драйвера к чипам «Prolific» работают только с Виндовс 7 и ниже. И прекращают работать с более модерными версиями ОС (8,10). Многие же пользователи, перейдя с 7 на 10 версию Windows, обнаружили, что их устройства с чипами «Prolific» перестали работать. А в Диспетчере устройств рядом с названием «Prolific usb-to-serial comm port» красуется восклицательный знак, сигнализирующий о возникшей ошибке с кодом 10.
Другим же фактором возникновения проблемы является подделка чипов «Prolific» малоизвестными китайскими производителями. Как и в случае настоящих чипов, фейковые чипы имеют тот же Vendor ID (VID_067B) и тот же «Product ID» (PID_2303), потому отличить подлинник от подделки бывает сложновато.
Для устранения фейковых чипов «Prolific» выпустила новые драйвера, которые не работают с ненастоящими чипами, делая их бесполезными. Одновременно данное решение привело к отказу от драйверной поддержки более ранних адаптеров компании.
Поэтому 64-битные драйвера «Prolific», распространяемые «Майкрософт» через службу обновлений Windows, версий 3.4.67.325, 3.4.25.218, 2.1.51.238, 3.4.62.293 не будут работать с большинством адаптеров. А в «Диспетчере устройств» пользователь будет видеть восклицательный знак и код ошибки 10. Или, в качестве альтернативы, вы не будете видеть ошибок в самом ДУ, но ваше устройство попросту не будет работать.
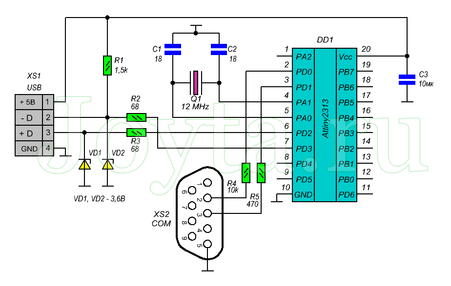
USB — COM переходник на микроконтроллере Attiny2313
Питание микроконтроллера Attiny2313 осуществляется непосредственно от шины питания USB. Вся схема собрана на односторонней плате (SMD и ТН варианты). Устройство поддерживает только сигналы Rx и Tx.

Прошивку к переходнику, рисунок печатной платы (SMD и TH), а также программу терминал для проверки адаптера можно скачать по ниже приведенной ссылке:
Скачать файлы для USB переходника (1,4 MiB, скачано: 3 556)
При программировании Attiny2313, фьюзы необходимо выставить следующим образом:
Для работы устройства необходимо установить драйвер виртуального COM порта. Для этого скачиваем его:
Скачать драйвер (1,1 MiB, скачано: 3 786)
Теперь вставляем в USB порт компьютера наш адаптер, компьютер должен выдать сообщение «Найдено новое устройство», а затем предложит установить для него драйвер. Выбираем пункт «Установить с указанного места» и нажимаем на кнопку «Далее». Затем в новом окне выбираем путь к папке скаченного и распакованного драйвера и опять жмем кнопку «Далее». Спустя несколько секунд драйвер будет установлен и устройство будет готово к работе.
Для проверки работоспособности устройства, временно замыкаем Rx и Tx выводы и с программы терминала, так же находящегося в архиве, выставляем номер COM порта и отправляем любое сообщение. Для этого пишем например «Привет» и нажимаем кнопку «Send». Если переходник рабочий, то написанное сообщение появится в верхнем окне программы.

How to Fix Prolific 2303 Driver Not Working on Windows 11, 10, 8 и 7?
Когда вы пытались подключить внешнее устройство, например радио, к ПК с Windows, это не удалось. После проверки состояния драйвера в диспетчере устройств многие пользователи обнаружили, что драйвер PL2303 не работает в штатном режиме.
Обновление драйвера COM-порта — ключевое решение для вас. Или вам нужно убедиться, что версия драйвера Prolific USB to Serial совместима с системой Windows, чтобы периферийные устройства распознавались.
Решение 1: Откатить драйвер PL2303
Иногда, после обновления системы, когда вы снова загружаете свой ПК с Windows, вероятно, драйверы некоторых устройств также были обновлены, чтобы соответствовать системе. Однако есть вероятность, что драйвер Prolific USB to Serial не реагирует, не позволяя вам использовать внешнее устройство по своему усмотрению. В этом случае вы можете откатить этот последовательный драйвер USB, чтобы исправить ошибку PL2303.
1. Перейдите в Диспетчер устройств .
2. Найдите LPT и COM порты > Prolific USB to Serial COM Port и затем щелкните его правой кнопкой мыши, чтобы открыть его Properties .
3. В разделе Driver найдите и нажмите Roll back Driver .
4. Подождите, пока не будет установлена предыдущая версия драйвера.
После этого отключите COM-порт PL2303, а затем подключите любое внешнее устройство к компьютеру, чтобы проверить, может ли устройство быть обнаружено и хорошо работать в Windows 11, 10, 8 и 7.
Решение 2: Обновление драйвера PL2303
Если вы заметили, что предыдущий драйвер PL2303 не позволяет внешним устройствам, таким как радио или динамик, работать в системах Windows, вам также может понадобиться обновить драйвер PL2303, чтобы исправить ошибку Prolific USB to Serial driver not working.
Driver Booster , здесь, может быть эффективным инструментом драйвера для вас, чтобы скачать и установить все виды драйверов устройств, без исключения для драйвера USB to Serial.
1. Скачайте , установите и запустите Driver Booster.
2. Нажмите кнопку Scan .
3. Найдите Prolific USB to Serial COM Port и затем Update его.
После установки обновленного драйвера COM-порта PL2303 вы можете повторить попытку подключения внешнего устройства к компьютеру, чтобы проверить, работает ли драйвер Prolific USB для включения COM-порта PL2303 для подключения внешних устройств к компьютеру.
В некоторых случаях, после установки последней версии драйвера COM-порта, многие пользователи могут увидеть, что сообщение об ошибке «Please install corresponding PL2303 driver to support Windows 11 and further OS» удалено.
Prolific USB to Serial Driver “Code 10” Error Fix
Another common PL2303 driver issue is the well-known “code 10” problem. The error messages can be one of the following:
- The device will not start (code 10).
- There is no driver installed on this device.
- The driver was not successfully installed.
- …
Those warnings may appear if you use non-original or fake chipsets. The manufacturer will disable it. For a solution, just follow the below guide.
- Download PL2303_64bit_Installer.exe and save it somewhere.
- Remove all USB to Serial adapters from your PC.
- Double-click PL2303_64bit_Installer.exe and follow the instruction to plug in one USB to Serial adapter to continue.
- Finally, restart your machine.
In general, the COM ports are listed in the computer Device Manager; however, the COM ports may get missing suddenly due to some reasons.
About
Prolific PL-2303 USB-to-Serial driver, version 3.3.11.152 (12-03-2010). Compatible with unsupported end-of-life microchip versions (PL-2303HXA and PL-2303XA). This is a script-based installer that can either add or remove this driver.
Its purpose is to supplement the excellent Prolific PL-2303 Code 10 Fix program from Family Software, which was initially produced to save their customers from having to buy new hardware. It has subsequently been successfully used around the world with all kinds of different devices.
However, the earlier 3.3.2.102 driver version that it uses can sometimes fail on Windows 10, in that data can be read from the device but cannot be written to it.
This version does not exhibit this problem.
Сообщений 1 страница 10 из 13
Поделиться120.10.16 11:38
Запуск этого устройства невозможен. (Код 10)
Есть адаптер USB-Com фирмы Prolific, спаянный скорее всего в Китае, VID_067B&PID_2303. Нужно прицепить его к Windows 7 (x32). Виндовский Update не помог. Cкачал новый драйвер с оф.сайта, v3.4.48.272. После его установки подключил шнурок и получил «Запуск этого устройства невозможен. (Код 10)». Копания в инете привели на тот самый форум. Оказалось, нужен старый драйвер, в котором еще нет проверки подлинности чипа. На форуме товарищ писал, что лечил так Win7x64, у меня на 32-разрядной тоже все получилось как и на win 8.
Поделиться220.10.16 11:39
Самый новый драйвер под Win7 не будет работать, т.к. шнурок у нас китайский и драйвер проверяет чип на оригинальность. Нужна старая версия драйвера. Спасибо товарищу с ником «San-ch» за найденное решение. Не работал драйвер v3.4.48.272, после установки и подключения шнурка ошибка «Запуск этого устройства невозможен. (Код 10)».
Самое интересное, что прога определения чипа (шла в архиве с новым драйвером) после нормальной установки не ругается на чип и определяет его как PL-2303 XA / HXA». Вот и кому, спрашивается, пиндосы в итоге хуже сделали? Нам.. —http://forum.ixbt.com/topic.cgi?id=13:36329-23
USB 2.0 To COM Device / Prolific USB-to-Serial Comm PortUSBVID_067B&PID_2303&REV_0300Win7 x64 (для x32 тоже работает)
. Расскажу, что я перед этим делал. Сначала удалил все ранее установленные драйверы с помощью их программ установки и перезагрузил компьютер. Вставил девайс, он определился как в самом начале. Выбрал автоматическую установку драйверов, появился знакомый «код 10». Потом выбрал «ручную установку» —> «выбрать из установленных», и выбрал самую раннюю версию, 3.0.1.0. Потом появилось сообщение «драйвер установлен, требуется перезагрузка». Перезагрузил. Захожу в диспетчер устройств. ВНЕЗАПНО ВСЁ РАБОТАЕТ. Вот только номер порта был аж 27, поменял в настройках на COM2.
ИНФА ДЛЯ ТЕХ, У КОГО PL2303 И КОД 10Опытным путём определил, что на Windows 7 x64 с версиями драйвера 3.3.2.105 (27.10.2008) и ниже всё работает нормально. Все версии с 3.3.5.122 (17.07.2009) до самой последней 3.4.42.258 (12.11.2012) выдают «ошибку код 10».
Читая файл ReadMe, который идёт вместе с драйвером с оф. сайта, наткнулся на это:
======================= Counterfeit Warning. ======================= Please be warned that counterfeit/fake PL-2303HX Chip Rev A (or PL-2303HXA) USB to Serial Controller ICs using Prolific’s trademark logo, brandname, and device drivers, were being sold in the China market. Counterfeit IC products show exactly the same outside chip markings but generally are of poor quality and causes Windows driver compatibility issues (Yellow Mark Error Code 10 in Device Manager). We issue this warning to all our customers and consumers to avoid confusion and false purchase.
Подозреваю, что в свежих версиях драйвера встроена защита от поддельных чипов, а в старых версиях эту фичу ещё не запилили, поэтому они нормально работают.
Как вручную выбрать версию драйвера. Заходим в «Диспетчер устройств» —> «Порты COM и LTP» —> «Profilic USB-to-Serial Comm Port» —> «Свойства» —> «Драйвер» —> «Обновить» —> «вручную» —> «выбрать из уже установленных». Признаком успешной установки является отсутствие «кода 10» или других ошибок. Если нерабочая версия будет заменена на рабочую, то «код 10» и жёлтый треугольник исчезнут сразу, до перезагрузки.
PL2303 Phased Out in Windows 11/10: FIXED
Hopefully, the above solutions helped you fix PL2303 Phased out issue on your Windows devices. Apply the fixes in the order and save on the additional time spent to resolve the issue. For most of the users, the issue of the Prolific PL2303 Phased out problem was resolved by driver updates. Use the Bit Driver Updater to update USB serial driver and other system drivers automatically.
We are here to assist you for any further queries. If you have any questions, suggestions, or feedback for us write them in the comment box. For more informative and tech related write-ups subscribe to our newsletter. Follow us on Facebook, Instagram, Pinterest, and Twitter to never miss an update.
Download PL2303 Driver for Windows 11
It mentioned downloading the PL-2303 driver in the above solution. Given many users don’t know where to get the PL2303 driver for Windows 11, please copy and paste the below link into a new browser tab to go to the official website and download the driver.
http://www.prolific.com.tw/UserFiles/files/PL23XX_Prolific_DriverInstaller_v402.zip
- Version: 4.0.2
- File size: 10951.67 KB
- Release date: March 16, 2022
Tip:
- If you want the older version of the PL2303 driver for some reason like coming across the above code 10 error, just replace the “402” in the download link http://www.prolific.com.tw/UserFiles/files/PL23XX_Prolific_DriverInstaller_v402.zip with the version number you prefer.
- To install the downloaded PL2303 driver, just extract the zip file, find the installer.exe file, and double-click on it. Then, just follow the on-screen steps, which are similar to installing an app.
PL2303 Driver Windows 11 Not Working
Some issues are related to the PL2303 driver in Windows 11. For example, have you ever encountered an error message saying “Please install corresponding PL2303 driver to support Windows 11 and further OS” in Device Manager when you try to connect a device to your computer using a USB to Serial adapter?

If so, mostly, it is the PL2303 driver that has a problem, outdated, damaged, or missing. Now, let’s see how to fix the Prolific USB to Serial Driver not working issue.
#1 Update USB to Serial Driver
First of all, the most direct way you should try is to update the outdated or missing driver. Or, you can disable and reenable it in Device Manager. If the driver is corrupted, you can uninstall it and restart the computer to let Windows install a new driver automatically.
#2 Roll USB to Serial Driver Back
However, updating a driver does not always solve the problem but instead causes some issues. The PL2303 driver not working error may result in your latest driver updates doesn’t work well with your hardware. If this is true, you have to downgrade your driver back to an old version.
1. Open Device Manager.
2. Unfold Ports (COM & LPT) section.

3. Find Prolific USB to Serial Comm Port, right-click on it, and select Properties.
4. In the Properties window, go to the Driver tab, and click on Roll Back Driver.
5. It will prompt asking for the reason. Just pick one reason and click Yes.

Finally, the correct driver will install itself. When it finishes successfully, just try to connect your device again. It should work now.
If you failed to roll back the current PL2303 driver, you can try to update it and manually choose the old version on your computer. If you don’t have an older version at hand, you can download one following the tip of the below content.
Драйвер Prolific PL2303 USB-to-Serial не работает в Windows 11
Некоторые пользователи сообщают, что драйвер Prolific PL2303 не работает после его установки в Windows 11. Если у вас возникла эта проблема, выполните действия, описанные ниже, чтобы решить эту проблему:
- Сначала установите драйвер Prolific PL2303 в вашей системе, выполнив шаги, описанные выше.
- Нажмите клавиши Win + R, чтобы открыть окно команды «Выполнить».
- Введите devmgmt.msc в поле «Выполнить» и нажмите «ОК». Это откроет Диспетчер устройств.
- В Диспетчере устройств разверните узел Порты (COM и LPT), дважды щелкнув по нему.
- Щелкните правой кнопкой мыши драйвер Prolific и выберите «Обновить драйвер».
- Щелкните Поиск драйверов на моем компьютере.
- Теперь нажмите Позвольте мне выбрать из списка доступных драйверов.
- Вы увидите список различных версий драйверов Prolific. Выберите любой из них и нажмите «Далее».
- Следуйте инструкциям на экране, чтобы установить выбранную версию драйвера Prolific.
- После завершения установки перезагрузите компьютер.
Теперь проверьте, устранена ли проблема или нет. Если проблема не устранена, повторите описанные выше шаги еще раз и на этот раз выберите другую версию драйвера Prolific.
Как установить Prolific PL2303?
После завершения установки перезагрузите компьютер и подключите компьютер к устройству через последовательный порт с помощью переходного кабеля Prolific USB-to-Serial. Вы увидите драйвер Prolific USB-to-Serial в диспетчере устройств.
Как использовать Prolific USB-to-Serial?
Как объяснялось ранее в этой статье, кабель адаптера Prolific USB-to-Serial используется для подключения устройств с последовательным портом, таких как ПЛК (программируемый логический контроллер) к компьютеру. Вам необходимо подключить ПЛК к компьютеру с помощью переходного кабеля USB-последовательный для записи программы в ПЛК. Для этой цели можно использовать переходной кабель Prolific USB-to-Serial или кабель-переходник USB-to-Serial любого производителя.
Надеюсь это поможет.
Читать далее: Как включить или отключить дисководы CD/DVD, USB-накопители или порты.

Программы для Windows, мобильные приложения, игры — ВСЁ БЕСПЛАТНО, в нашем закрытом телеграмм канале — Подписывайтесь:)


















![How to fix pl2303 phased out in windows 11,10 [solved]](http://nephros-crimea.ru/wp-content/uploads/8/2/8/8282e34d82258e2d1f4ec0988f71c96d.jpeg)









